推薦產品
淄博市某35萬平米小區低溫空氣源熱泵集中供暖制冷案例賞析

前言:為了減少燃煤污染、改善空氣質量、保障廣大用戶溫暖過冬,我國北方地區開始大力推進“煤改電”應用;在這樣的背景下,山東省各地政府積極響應號召,出臺了一系列嚴厲的政策和新舉措,大力推進農村幼兒園、中小學、衛生室、養老院、便民服務中心等公共場所和農村新型社區冬季清潔取暖和燃煤鍋爐清潔能源改造。而山東省淄博市更是堅持把燃煤鍋爐整治作為改善空氣質量的牛鼻子工程來抓,采取建立臺賬、財政補貼等措施,對燃煤鍋爐實施淘汰和清潔能源改造。也正是如此,空氣源熱泵開始在整個北方地區不斷受到追捧,成為燃煤鍋爐替代改造的主要選擇之一。
35萬㎡,采用空氣源熱泵實現冷暖恰到好處
淄博市淄川區某空氣源熱泵采暖服務項目轄區面積46.1平方公里,轄22個行政村。由于淄博市處于魯中山地和華北平原的過渡地帶,有平原也有盆地的地區,南部為中低山區,中部為丘陵區,北部為平原區,屬溫帶季風氣候,故冬天寒冷干燥。

淄博采暖設計氣象參數顯示,淄博地區冬季室外采暖計算溫度為-7℃,采暖天數120天,最冷月平均環境溫度為零下7℃,極端最低溫度-14.9℃,屬于北方寒冷地區。根據多年來淄博市冬季氣象參數項目實際情況結合該項目改造特點和空氣源熱泵供熱的實際運行經驗,最終選用了適合于北方寒冷地區使用的低溫空氣源熱泵,實現冬季清潔供暖。
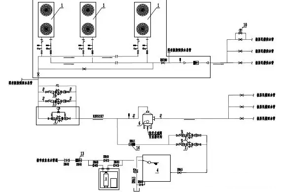
據了解,該項目采暖共包括八個村(社區)和一個養老院,總建筑面積約為350000平方米,用戶側末端為地板采暖和暖氣片。同時,該項目選用的熱泵采暖運行范圍-25℃~+45℃,無需輔助電加熱,采暖期平均能效比(COP)可達3.0以上,占地面積小、穩定性強、可靠性高、節能效果顯著。

該項目冷、熱水設計計算參數
據了解,該項目室外計算參數取自《采暖通風與空氣調節設計規范》GBJ50019(2001年版)供暖計算依據:依據《城鎮供熱管網設計規范》CJJ34-2010采暖熱指標推薦值q(W/m2)。同時,供暖所需熱能選擇,根據以下設計指標和經驗值,熱負荷指標取設計指標的70%左右設計。

該項目利用互聯網與物聯網創新,實現了遠程監控功能,隨時監控熱量、水量、進出口溫度、機器故障、運行狀態等;遠程控制功能,控制機器停止;管網熱量控制,根據熱量需求,根據室內溫度信號調整熱量平衡閥的開度,實現了全控節能。

低溫空氣源熱泵采暖效果顯著,獲好評
據項目負責人介紹,空氣源熱泵供暖具有高能效的轉化比,可實現最大限度的節能;其能效轉化比高達4.37,也就是消耗1度電可以轉化4.37倍的熱量,真正做到了最大限度的節能效果。同時,使用空氣源熱泵采暖不會產生污染性氣體,廢液,是真正的綠色環保無污染的采暖產品。以空氣源熱泵采暖為例,若1000萬平方米建筑采用空氣源供熱站供熱,三年可約節省燃氣9.16億立方米,代替標煤180萬噸,減少16.2億萬—21.6億萬Nm3/h廢氣排量、4.32萬噸SO2排量、5.4萬噸煙塵排量、50.4萬噸爐渣排量。將從根本上減少霧霾及PM2.5超標天數,提高空氣質量,抑制環境污染、大氣污染。
空氣源熱泵采暖可以根據用戶自家情況,選擇末端散熱形式,即地暖管散熱、暖氣片散熱、風盤散熱,選擇具有多樣性;同時,用戶還可根據室溫效果,更換為效果更好的末端。此外,該項目不僅可以實現冬季采暖,還擁有夏季制冷功能;并且全年四季可以提供生活熱水,功能多樣。并且,空氣能熱泵供暖溫度恒定,室內溫度可以穩定達到18-22℃,在低溫條件下可以實現24小時不間斷供暖,室內環境溫度均勻,室內空氣可以形成自然對流,更加舒適。

據了解,該項目于2017年9月底進場施工,2017年11月15日前啟用運行,經過了一個采暖季的穩定運行,建筑保溫效果好的建筑屋里溫度能夠達到25℃以上,保溫效果稍微差點點的建筑也能夠達標18℃以上,而且屋里溫度相對恒定。
同時,該項目在上一采暖季不僅獲得兩座社區用戶和鎮養老院負責人的高度認可,還得到了所轄六個村村民的高度評價,甚至有用戶和村民直接贊到:屋里現在溫度比之前燒燃煤鍋爐舒服多了;同時,改用了空氣源熱泵采暖不僅比之前燒煤便宜了不少,關鍵是更省心了,家里面也徹底的清潔干凈了,再也不用大晚上起來掏煤灰煤渣了,這電采暖設備真是好。據了解,該項目已經啟動第二采暖季運行,且穩定;經過改造的社區、養老院和村,現在變得更亮了,也變得更美。
